產品分類一覽
粉體物料輸送的輸送量與什么有關?
粉體輸送的輸送量與什么有關?
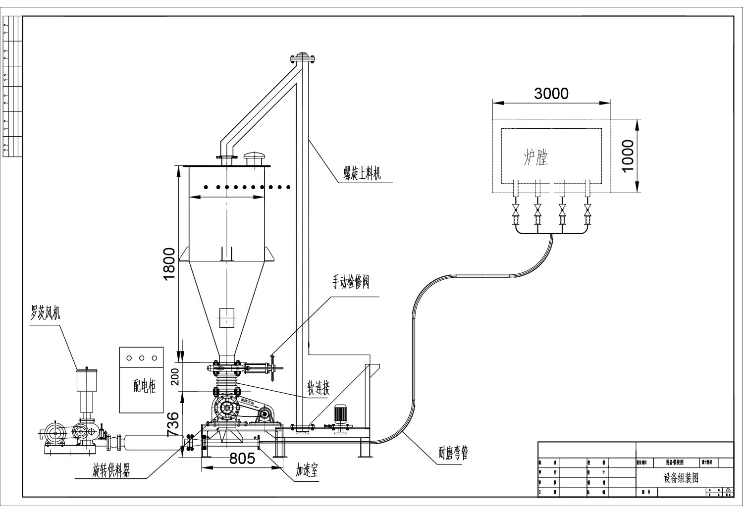
通過圖片我們可以看到這是一套典型的稀相系統用于鍋爐的脫硫脫硝的藥劑輸送。我們就以這個項目簡單介紹一下:
首先本套氣力輸送可以簡單理解由幾個階段構成:系統控制階段,料倉上料階段,下料階段,吹掃階段,管道輸送階段,送達反應階段來完成我們的工藝要求。那么粉體物料輸送的輸送量與什么有關呢?
1.粉體物料輸送的輸送量與羅茨風機的風量大小有關。
很容易理解羅茨風機作為在整套氣力輸送中起到至關重要的作用,羅茨風機的風量大小直接影響著中的輸送量。
2.粉體物料輸送的輸送量與料倉的大小與上料速度有關。
當羅茨風機與旋轉供料器在流暢運行中物料的供給速度肯定會至于到輸送量的大小
3.粉體物料輸送的輸送量與管道的口徑有關。
一般情況下不同型號的羅茨風機與旋轉供料器都有匹配的管道口徑,但是管道口徑肯定會制約輸送量的大小。
4.粉體物料輸送的輸送量與旋轉供料器的卸料量有關
旋轉供料器的卸料量影響著氣力輸送的輸送量,在這個項目中我們甚至會通過旋轉供料器的減容來達到減少輸送量。
5.輸送長度與垂直高度
過長與過高的輸送要求也一定會影響到氣力輸送的輸送量
總之,一套氣力輸送的輸送量大小是根據客戶的工藝需求來的,我們會根據客戶的需求來控制物料的輸送量,將輸送量穩定在要求的范圍內,使系統平穩的運行,
下一篇:粉煤灰氣力輸送的操作規程是什么?
